Key Specifications / Features
Our company specializes in manufacturing high-performance 1-piece ball valves engineered to meet API 6A and API 6D standards. Constructed with durable AISI 4130, F60, or F65 alloy steel bodies, these valves are designed for demanding oil and gas applications requiring reliable shutoff and long service life. Available in 5-1/8 inch size with pressure ratings up to 10,000 PSI, each valve can be configured with corrosion-resistant Inconel trim for enhanced performance. Customers can choose RTJ or butt-weld end connections, along with soft-seat or metal-seat options to suit specific operating conditions and media requirements.
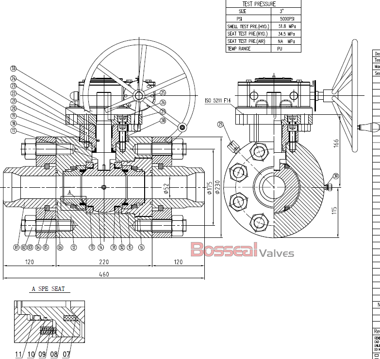
Valve Description:
181105093 Compact Ball Valve
Design Standard: API 6A/API 6D
Structure: 1PC Body
Nominal Size: 1-13/16 Inch to 11 Inch
Nominal Class: 2000-15000 PSI
Bore Type: Full Bore or Reduced Bore
End Connection: RTJ, BW, and Hub
Operation: Lever/Gear/Bare Shaft
Body Material: AISI 4130/ASTM A694 F60/A694 F65
Trim Material: AISI 4140/F51/17-4PH/Inconel Trim
Seat Insert: POM/PEEK or hard faced
Face to Face: ASME B16.10/MFG'S
Test and Inspection: API 6A/API 6D
Key Features:
Compact design with short face-to-face and low weight
Low torque
Easy for maintenance
Removable seat retainer to reduce torque, and it is easy to repair
• Material Class: AA, BB, CC, DD, EE, FF, HH
• Temperature Class: L, N, P, S, T, U, V, X, Y
• Specification: PSL1 - PSL3G
• Performance: PR1, PR2
Product Range:
Body Material: Carbon Steel, Stainless Steel, Alloy Steel
Normal Diameter: 1-13/16 - 11 Inch
Pressure Range: 2000PSI - 15000PSI
End Connection: RF, RTJ, BW, HUB
Working Temperature: -26°C - +150°C
Operation: Manual(lever, gear), Pneumatic Actuator, Motor Actuator
