Key Specifications / Features
As a leading API 6A ball valve factory in China, we provide high-performance valves engineered for demanding high-pressure applications. Our 4-1/8 inch valves feature a durable ASTM A694 F65 and AISI 4130 body, designed to withstand 10,000 PSI. Equipped with 17-4PH or Inconel trim and available in 2- or 3-piece bolted body configurations, these valves ensure reliable sealing and long-term durability. Designed with RTJ ends and gear operation, they offer precise control and secure connections, making them ideal for oil, gas, and industrial systems requiring safety, strength, and superior performance.
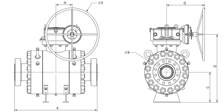
Valve Description:
181104070 API 6A Ball Valve
Design Standard: API 6A
Structure: Bolted Bonnet
Nominal Size: 1-13/16 Inch to 11 Inch
Nominal Class: 2000 PSI-15000 PSI
Bore Type: Full Bore or Reduced Bore
End Connection: RTJ, BW, and Hub
Operation: Lever/Gear/Bare Shaft
Body Material: AISI 4130/ASTM A694 F60/ASTM A694 F65
Trim Material: AISI 4140/F51/17-4PH/Inconel Trim
Seat Insert: PEEK or Hardfaced
Face to Face: ASME B16.10/MFG'S
Test and Inspection: API 6A
Key Features: Double Block&Bleed(DBB), Anti-static Device, Fire Safe, Anti-Blowout Stem, Emergency sealant injection, Low Emission(Optional), DIB (Optional), full welded bonnet, SPE and DPE Seat Design (SPE x SPE, DIB-1, DIB-2), Bubble-Tight Shut-Off
Material Class: AA, BB, CC, DD, EE, FF, HH
Temperature Class: L, N, P, S, T, U, V, X, Y
Specification: PSL1 - PSL3G
Performance: PR1, PR2
Product Range:
Body Material: Carbon Steel, Stainless Steel, Alloy Steel
Normal Diameter: 1-13/16 Inch - 11 Inch
Pressure Range: 2000 PSI - 15000 PSI
End Connection: RF, RTJ, BW, HUB
Working Temperature: -26°C - +150°C
Operation: Manual(lever, gear), Pneumatic Actuator, Motor Actuator
Design Features:
Bolted body with 2-piece and 3-piece construction
Double block and bleed capability
SPE and DPE seat configurations (SPE x SPE, DIB-1, DIB-2)
Available with metal-to-metal or soft seat options
Anti-blowout stem design for enhanced safety
Integrated anti-static devices
Ensures bubble-tight shutoff for reliable sealing
