API 6A 10000 PSI Valve for Upstream Offshore Project
Aug 05, 2025
Bosseal Factory is a professional valve manufacturer for upstream valves, including API 6A ball, globe, gate, and choke valves.
We just successfully delivered a valve package to ENI for an upstream offshore project with H2S service in just 45 days!
The supply scope includes:
- Trunnion Ball Valve
- Double Ball Trunnion Ball Valve
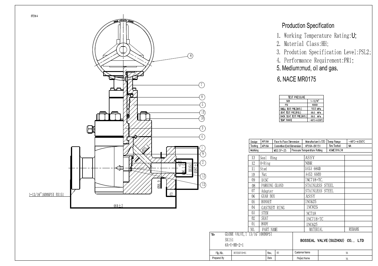
- Globe Valve
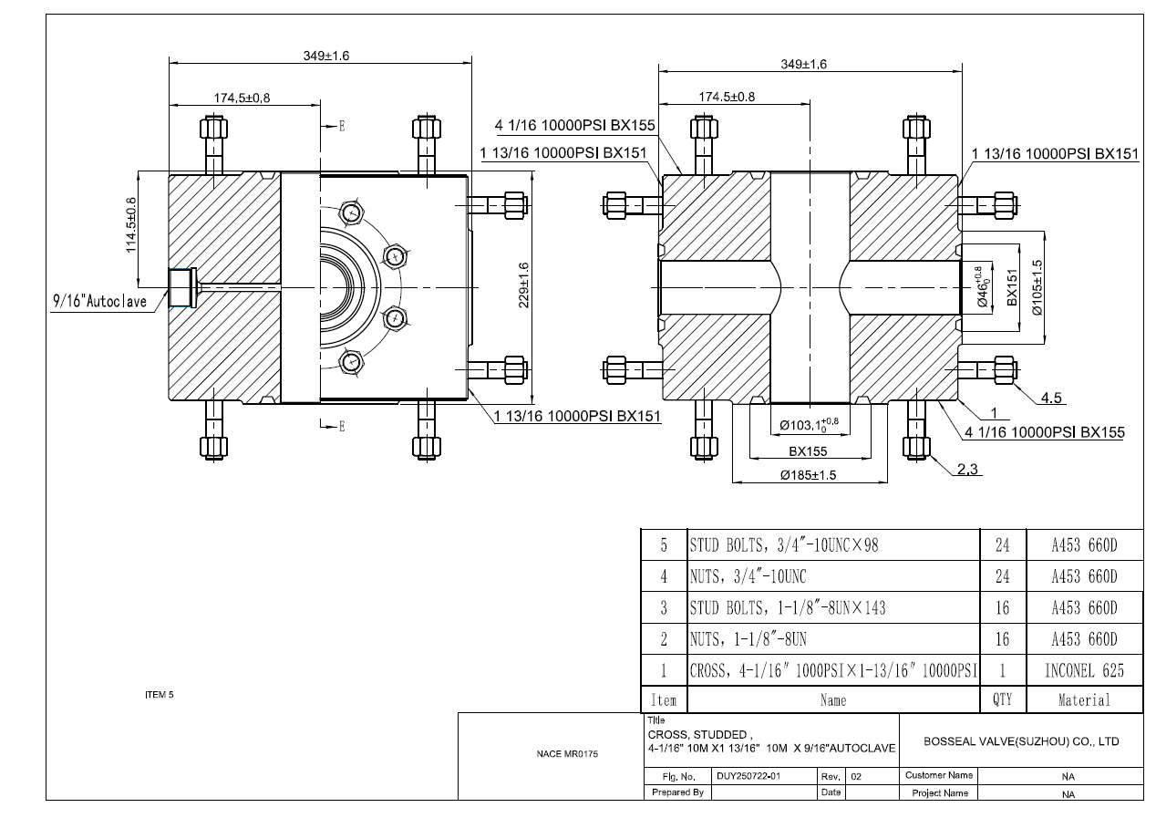
- Adapter-CSA, DSA
- Material: ASTM A694 F65, A182 F51, Inconel 625
- Pressure: 10,000 psi
- Special Requirements: ISO 15848-1 low emission certification, ISO 15848-2 low emission test, API 6FA fire safe certification, NACE for sour service
The valves successfully passed the inspection of the client's inspector and a third-party inspector from SGS and EN 10204 3.2 certificates were issued.







API 6A Ball Valve
Design Standard: API 6A
Structure: Bolted Bonnet
Nominal Size: 1-13/16 Inch to 11 Inch
Nominal Class: 2000 to 15000 PSI
Bore Type: Full Bore or Reduced Bore
End Connection: RTJ, BW, and Hub
Operation: Lever/ Gear/Bare Shaft
Body Material: AISI 4130/A694 F60/A694 F65
Trim Material: AISI 4140/A182 F51/17-4PH/Inconel Trim
Seat Insert: PEEK or hardfaced
Face to face: ASME B16.10/MFG'S
Test and inspection: API 6A
Key Features: Double Block & Bleed (DBB), Anti-static Device, Fire Safe, Anti-Blowout Stem, Emergency sealant injection, Low Emission (Optional), DIB (Optional), full welded bonnet, SPE and DPE Seat Design (SPE x SPE, DIB-1, DIB-2), Bubble-Tight Shut-Off
Material Class: AA, BB, CC, DD, EE, FF, HH
Temperature Class: L, N, P, S, T, U, V, X, Y
Specification: PSL1 to PSL3G
Performance: PR1, PR2
Body Material: Carbon Steel, Stainless Steel, Alloy Steel
Normal Diameter: 1-13/16 Inch to 11 Inch
Pressure Range: 2000 PSI to 15000 PSI
End Connection: RF, RTJ, BW, HUB
Working Temperature: -26℃ to +150℃
Operation: Manual (Lever, Gear), Pneumatic Actuator, Motor Actuator
Bosseal Valves is a professional valve manufacturer for upstream and offshore projects with high quality requirements. For any technical or commercial support, please contact our team at [email protected].
Next: Valve Torque: Key Calculation, Factors and Practical Use
Previous: A Comprehensive Guide to Valve Hydrostatic Testing