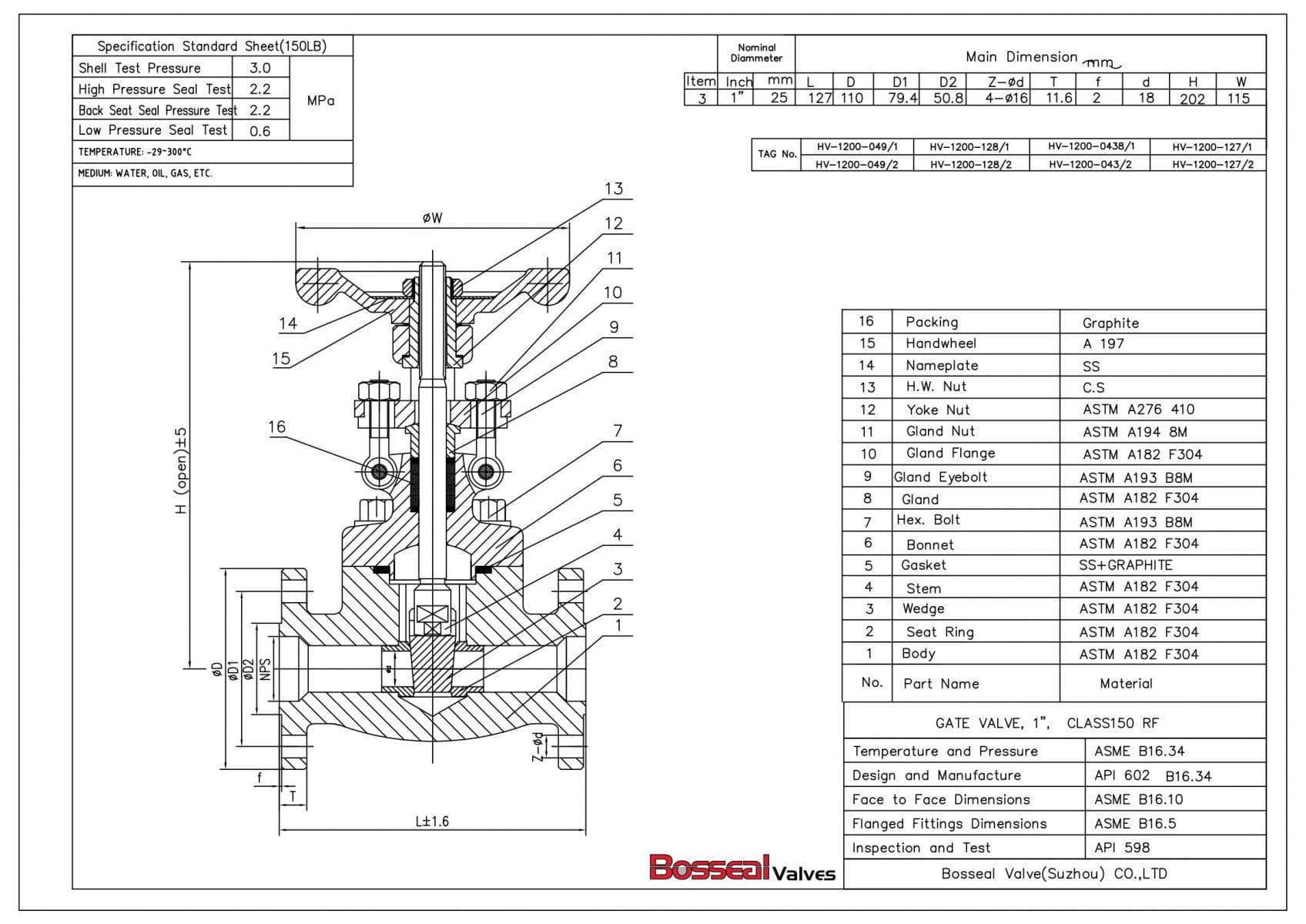
ASTM A182 F304 Gate Valve, API 602, 1 Inch, 150 LB, RF

Detail Information

Integral Flanged Forged Gate Valve, API 602, 1 INCH, 150 LB, RF F304 Body & Trim, Handwheel

Valve Description:
1851003 API 602 Forged Gate Valve 1G1RF304
Design Standard: API 602, ASME B16.34
Structure: Bolted Bonnet, OS & Y
Nominal size: 1 Inch
Nominal class: 150 LB
Bore: Regular Bore
End Connection: RF-Flanged end
Operation: Handwheel
Body Material: ASTM A182 F304
Trim Material: ASTM A182 F304
Face to face: ASME B16.10
Test and inspection: API 598
Key Features: Independent backseat, Fully guided solid wedge, Adjustable Packing Gland, Integral Flange

Product Range:
Body material: Carbon Steel, Stainless Steel, Duplex steel, Alloy
Normal diameter: 1/2-2 Inch (DN15 - DN50)
Pressure range: 150-2500 LB
End connection: RF, RTJ
Working temperature: -29℃ - +400℃
Operation: Handwheel

Flanged Forged Gate Valve Tech Drawing
 

Name*
E-mail*
Rate*
Comments*

Next: ASTM A182 F22 Gate Valve, API 602, 1-1/2 Inch, 1500 LB, BW

Previous: ASTM A182 F11 Gate Valve, API 602, ASME B16.34, 1 IN, 2500 LB

Similar Products

About Us
Founded in 2013, Bosseal Valve is a professional valve manufacturing company in Suzhou, China. We mainly supply Industrial Ball Valves, Gate Valves, Globe Valves, Check Valves, Butterfly Valves, Plug VaIves, and Strainers designed and manufactured according to API, ASME, ISO, DIN, BS, EN standards.
 
Our Contacts
Building 2, NO.59, Songshan Road, SND, Suzhou, China